トップ > ツマミねじ > ステンレス(303、304、XM7等) > 生地(または標準) > (−)ローレットビス 《ステンレス(303、304、XM7等)/生地(または標準)》
特殊ねじ・バネ・端子・ベアリング > ステンレス(303、304、XM7等) > 生地(または標準) > 特殊ねじ・バネ・端子・ベアリング > (−)ローレットビス 《ステンレス(303、304、XM7等)/生地(または標準)》
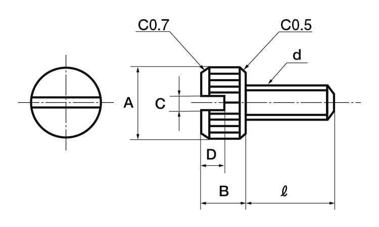
(−)ローレットビス 《ステンレス(303、304、XM7等)/生地(または標準)》
商品名:(−)ローレットビス 《ステンレス(303、304、XM7等)/生地(または標準)》
 |
4pt |
GMOポイントは
ショッピングモールやサービスの垣根なく
多くのネットショップや複数のサービスで
利用する事ができる共通ポイントです。


商品画像は白黒のため、実際の商品とは異なります。


材質:SUS303
特徴:(−)部はコイン割なので10円銅貨で回すことができます。