トップ > 組込みねじ > 標準(または鉄) > ニッケル > その他 > 10.9 GT−S CAP 《標準(または鉄)/ニッケル》
キャップホーロー > 標準(または鉄) > ニッケル > 座金組込みCAP > 10.9 GT−S CAP 《標準(または鉄)/ニッケル》
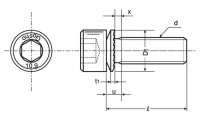
10.9 GT−S CAP 《標準(または鉄)/ニッケル》
商品名:10.9 GT−S CAP 《標準(または鉄)/ニッケル》
 |
312pt |
GMOポイントは
ショッピングモールやサービスの垣根なく
多くのネットショップや複数のサービスで
利用する事ができる共通ポイントです。


商品画像は白黒のため、実際の商品とは異なります。


材質 ボルト SCM435
ワッシャー 特殊バネ鋼
強度区分 ボルト 10.9
表面処理 黒色酸化皮膜
強度区分12.9は、GT−CAP SAタイプ(A0-00-GTSA)