トップ > タップタイト・ハイテクネジ > 標準(または鉄) > 三価ホワイト > エンプラタイト ナベ(日東精工製 《標準(または鉄)/三価ホワイト》
エンプラタイト ナベ(日東精工製 《標準(または鉄)/三価ホワイト》
商品名:エンプラタイト ナベ(日東精工製 《標準(または鉄)/三価ホワイト》
 |
4pt |
GMOポイントは
ショッピングモールやサービスの垣根なく
多くのネットショップや複数のサービスで
利用する事ができる共通ポイントです。


商品画像は白黒のため、実際の商品とは異なります。


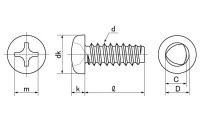
日東精工製
樹脂用セルフタッピンねじ
エンプラタイト(スーパーエンプラ用)
エンジニアリングプラスチックなどの高強度樹脂材へのセルフタップによる
割れを防止。複合角ねじ山により高い戻しトルクが得られ、くり返し使用も可能です。
主な用途
・スーパーエンプラ材に対する割れが心配な箇所、熱硬化性樹脂への締結
・インテークマニホールド、ウォーターポンプ、カーエアコン、サンルーフ
掃除機、食洗洗浄機、複写機、ノートパソコンなど