ネジショップはネジ(ねじ)・ボルト・ワッシャー・ナット・リベット類の規格品を法人・個人向けに販売する通販サイト。

96万種類以上の寸法や規格から購入可能で止め輪・ピン・ いたずら防止ネジ・樹脂ねじ・六角穴付ボルトも充実。バラ売り商品拡大中。

10800円以上で送料無料。

 

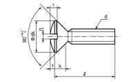
トップ > 小ねじ > 黄銅 > ニッケル > 丸皿 > (−)丸皿小ねじ 《黄銅/ニッケル》

(−)丸皿小ねじ 《黄銅/ニッケル》

商品名:(−)丸皿小ねじ 《黄銅/ニッケル》

商品コード : 00010102-10105
価格 : 円(税込円)
数量
 

▼ 下記商品リストからご希望の商品をお選びください。
規格/入数/価格/商品ID/出荷目安(△:2週間前後○:3営業日)

選択
BS(-)マルサラコ 3.5 X 10 1500個 21769円 ID1041560 ○
BS(-)マルサラコ 3.5 X 10 14個 428円 ID2041560 ○

ショッピングカートに入れる すぐに注文する
  • お気に入りリスト
  • 商品についての問い合わせ

商品画像は白黒のため、実際の商品とは異なります。




この商品についてのレビュー

  ニックネーム : 評点 :
内容 :
レビューを書く
入力された顧客評価がありません

ページトップへ